Javascript required
Skip to content Skip to sidebar Skip to footer

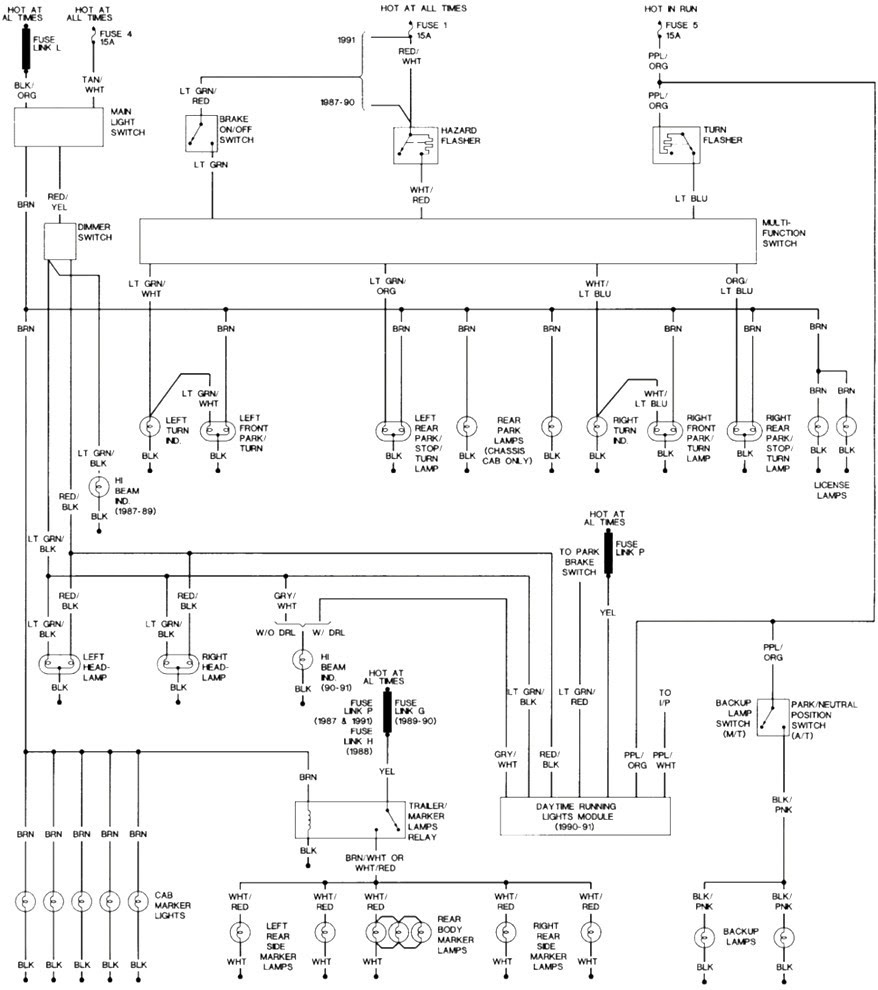
Color of 1995 Ford F 250 Tail Light Wire

If your looking for tech specific to the 2019 present ford ranger. 2007 fog light all light modification.

Ford Ranger Tail Light Wiring Diagram Wiring Diagram Source B Source B Sposamiora It Ford Ranger Tail Light Wiring Diagram Wiring Diagram Source B Source B Sposamiora It

Ford Ranger Tail Light Wiring Diagram Wiring Diagram Source B Source B Sposamiora It Wiring defined by color diagrams 1983 1991 ford ranger horn modification.

Ford Ranger Tail Light Wiring Diagram Wiring Diagram Source B Source B Sposamiora It

2019 ford ranger tail light wiring diagram. Ford truck diagrams and schematics home. Related info section i wiring and electrical alternator voltage regulator instrument panel starter and drive distributor distributor modulator system. Fog light bulb upgrade.

Youll see an electrical connector. Pull the main harness wire down but towards the trailer wiring harness on the inside of the frame. This car is designed not just to travel 1 location to another but also to take heavy loads.

2007 ford ranger fog light modification. Rewire fog lights for all light settings. 2019 present ford ranger tech.

Ford s max 2006 electrical wiring diagramrar. How to choose an off road light. This is where the main harness plugs into the rear harness.

This article will be discussing ford trailer plug wiring diagram. Ford sierra wiring diagrampdf. Get your led backup light bulbs here.

Head light switch wiring can somone please show me the color wiring for the headlight switch and the diagram for the ford 1993 ranger supercab question. Transmission regulated spark system headlamp parking lamp taillamps dome lamp mirror lights. Volvo electric cooling fan swap volvo relay.

It consists of ignition switch instrument cluster alternator warning indicator fusible link voltage regulator battery and a few other major things. This way you can pull it down. 1983 2011 ford ranger light bulb guide.

Wiring diagrams wiring color chart misc. Ford orion 1990 1999 electrical wiring diagrampdf. 2007 ford ranger turn signal modification.

Follow it from the outside of the vehicle to about 8 inches from where it drops down from the taillight. If youre just looking for wiring diagrams click here. 2019 present ford ranger tech.

Ford ranger owners manuals. First you need to locate the light green brake light wire under the rear bumperframe. Ford ignition switch wiring diagrams.

Start at the wire loom coming from the drivers side taillight. Ford trailer plug wiring diagram 2008 ford trailer plug wiring diagram ford f150 trailer plug wiring diagram ford f250 trailer plug wiring diagram people today understand that trailer is a car comprised of very complicated mechanics.

Ford Ranger Tail Light Wiring Diagram Wiring Diagram Source B Source B Sposamiora It Ford Ranger Tail Light Wiring Diagram Wiring Diagram Source B Source B Sposamiora It

Ford Ranger Brake Light Wiring Diagram Wiring Diagrams Img Random A Random A Farmaciastorelli It Ford Ranger Brake Light Wiring Diagram Wiring Diagrams Img Random A Random A Farmaciastorelli It

Ford Ranger Tail Light Wiring Diagram Wiring Diagram Source B Source B Sposamiora It Ford Ranger Tail Light Wiring Diagram Wiring Diagram Source B Source B Sposamiora It

Ford Ranger Tail Light Wiring Diagram Wiring Diagram Source B Source B Sposamiora It Ford Ranger Tail Light Wiring Diagram Wiring Diagram Source B Source B Sposamiora It

Ford Ranger Tail Light Wiring Diagram Database Wiring Diagram Number Number Media Piu It Ford Ranger Tail Light Wiring Diagram Database Wiring Diagram Number Number Media Piu It

Ford Ranger Brake Light Wiring Diagram Wiring Diagrams Img Random A Random A Farmaciastorelli It Ford Ranger Brake Light Wiring Diagram Wiring Diagrams Img Random A Random A Farmaciastorelli It

Wiring Diagram 2019 Ford Ranger And Raptor Forum 5th Generation Ranger5g Com Wiring Diagram 2019 Ford Ranger And Raptor Forum 5th Generation Ranger5g Com

Ford Ranger Tail Light Wiring Diagram Wiring Diagram Source B Source B Sposamiora It Ford Ranger Tail Light Wiring Diagram Wiring Diagram Source B Source B Sposamiora It

Ford Ranger Tail Light Wiring Diagram Wiring Diagram Source B Source B Sposamiora It Ford Ranger Tail Light Wiring Diagram Wiring Diagram Source B Source B Sposamiora It

Ford Ranger Tail Light Wiring Diagram Wiring Diagram Source B Source B Sposamiora It Ford Ranger Tail Light Wiring Diagram Wiring Diagram Source B Source B Sposamiora It

Ford Ranger Brake Light Wiring Diagram Wiring Diagrams Img Random A Random A Farmaciastorelli It Ford Ranger Brake Light Wiring Diagram Wiring Diagrams Img Random A Random A Farmaciastorelli It

Ford Ranger Light Wiring Diagram Wiring Diagrams Location Location Adriengirod Fr Ford Ranger Light Wiring Diagram Wiring Diagrams Location Location Adriengirod Fr

Ford Ranger Tail Light Wiring Diagram 52 Wiring Diagrams Img Progress A Progress A Farmaciastorelli It Ford Ranger Tail Light Wiring Diagram 52 Wiring Diagrams Img Progress A Progress A Farmaciastorelli It

Ford Ranger Light Wiring Diagram Wiring Diagrams Location Location Adriengirod Fr Ford Ranger Light Wiring Diagram Wiring Diagrams Location Location Adriengirod Fr

1996 Ford F 250 Wiring Diagram Tail Ligths Wiring Diagrams Img Random A Random A Farmaciastorelli It 1996 Ford F 250 Wiring Diagram Tail Ligths Wiring Diagrams Img Random A Random A Farmaciastorelli It

Ford Ranger 4x4 Wiring Diagram Tail Lights Wiring Diagram Curve Curve Mukura Fr Ford Ranger 4x4 Wiring Diagram Tail Lights Wiring Diagram Curve Curve Mukura Fr

F150 Brake Light Wiring Diagram Wiring Diagrams Img Visual Visual Farmaciastorelli It F150 Brake Light Wiring Diagram Wiring Diagrams Img Visual Visual Farmaciastorelli It

Led Bliss Tail Light Wiring Diagram Ford F150 Forum Community Of Ford Truck Fans Led Bliss Tail Light Wiring Diagram Ford F150 Forum Community Of Ford Truck Fans

1999 Ford Ranger Wiring Harness Wiring Diagram Digital Digital Pesarhorrorfest It 1999 Ford Ranger Wiring Harness Wiring Diagram Digital Digital Pesarhorrorfest It

Ford Ranger Light Wiring Diagram Wiring Diagrams Location Location Adriengirod Fr Ford Ranger Light Wiring Diagram Wiring Diagrams Location Location Adriengirod Fr

Ford Ranger Tail Light Wiring Diagram Wiring Diagram Source B Source B Sposamiora It Ford Ranger Tail Light Wiring Diagram Wiring Diagram Source B Source B Sposamiora It

1995 Ford Ranger Tail Light Wiring Diagram Wiring Diagram Content 1 Content 1 Concorsomusicalmuseo It 1995 Ford Ranger Tail Light Wiring Diagram Wiring Diagram Content 1 Content 1 Concorsomusicalmuseo It

Ford Ranger Trailer Wiring Schematic Wiring Diagram Audiotech A Audiotech A Ufficiounicoterredelcerrano It Ford Ranger Trailer Wiring Schematic Wiring Diagram Audiotech A Audiotech A Ufficiounicoterredelcerrano It

Https Encrypted Tbn0 Gstatic Com Images Q Tbn And9gcrtaa99ah2i2eqsxo7twjdhywqeza1bb3nq1jrqncqxnqogl2jw Usqp Cau Https Encrypted Tbn0 Gstatic Com Images Q Tbn And9gcrtaa99ah2i2eqsxo7twjdhywqeza1bb3nq1jrqncqxnqogl2jw Usqp Cau

Wiring Diagram 2019 Ford Ranger And Raptor Forum 5th Generation Ranger5g Com Wiring Diagram 2019 Ford Ranger And Raptor Forum 5th Generation Ranger5g Com

Fuse Box Location And Diagrams Ford Ranger 2019 Youtube Fuse Box Location And Diagrams Ford Ranger 2019 Youtube

1996 Ford F 250 Wiring Diagram Tail Ligths Wiring Diagrams Img Random A Random A Farmaciastorelli It 1996 Ford F 250 Wiring Diagram Tail Ligths Wiring Diagrams Img Random A Random A Farmaciastorelli It

Ford Ranger Tail Light Wiring Diagram Image Details Ford Ranger Tail Light Wiring Diagram Image Details

Ford Ranger Light Wiring Diagram Wiring Diagrams Location Location Adriengirod Fr Ford Ranger Light Wiring Diagram Wiring Diagrams Location Location Adriengirod Fr

Break Lights Ford Ranger Wiring Harness Diagram Hdmi Pinout Wiring Diagram Jaguar Hazzard Waystar Fr Break Lights Ford Ranger Wiring Harness Diagram Hdmi Pinout Wiring Diagram Jaguar Hazzard Waystar Fr

How To Install 2019 Ford Ranger Tail Light Backup Leds Diode Dynamics Youtube How To Install 2019 Ford Ranger Tail Light Backup Leds Diode Dynamics Youtube

F150 Brake Light Wiring Diagram Database Wiring Diagram Number Number Media Piu It F150 Brake Light Wiring Diagram Database Wiring Diagram Number Number Media Piu It

Diagram Polaris Ranger Wiring Diagram For Tail Lights Full Version Hd Quality Tail Lights Aperionwiring Techdays Wpc2008 It Diagram Polaris Ranger Wiring Diagram For Tail Lights Full Version Hd Quality Tail Lights Aperionwiring Techdays Wpc2008 It

1996 Ford F 250 Wiring Diagram Tail Ligths Wiring Diagrams Img Random A Random A Farmaciastorelli It 1996 Ford F 250 Wiring Diagram Tail Ligths Wiring Diagrams Img Random A Random A Farmaciastorelli It

F150 Brake Light Wiring Diagram Wiring Diagrams Img Visual Visual Farmaciastorelli It F150 Brake Light Wiring Diagram Wiring Diagrams Img Visual Visual Farmaciastorelli It

Installing Tailgate Light Bar 2019 Ford Ranger And Raptor Forum 5th Generation Ranger5g Com Installing Tailgate Light Bar 2019 Ford Ranger And Raptor Forum 5th Generation Ranger5g Com

Ford Tail Light Wiring Harness Wiring Diagrams Img Horizon Horizon Farmaciastorelli It Ford Tail Light Wiring Harness Wiring Diagrams Img Horizon Horizon Farmaciastorelli It

Ford Ranger Trailer Wiring Schematic Wiring Diagram Audiotech A Audiotech A Ufficiounicoterredelcerrano It Ford Ranger Trailer Wiring Schematic Wiring Diagram Audiotech A Audiotech A Ufficiounicoterredelcerrano It

1992 Ford Ranger Fuse Diagram Wiring Diagram Usage2 Usage2 Concorsomusicalmuseo It 1992 Ford Ranger Fuse Diagram Wiring Diagram Usage2 Usage2 Concorsomusicalmuseo It

Wiring Diagram 2019 Ford Ranger And Raptor Forum 5th Generation Ranger5g Com Wiring Diagram 2019 Ford Ranger And Raptor Forum 5th Generation Ranger5g Com

Parking Taillights And Dashboard Out Help Ranger Forums The Ultimate Ford Ranger Resource Parking Taillights And Dashboard Out Help Ranger Forums The Ultimate Ford Ranger Resource

1996 Ford F 250 Wiring Diagram Tail Ligths Wiring Diagrams Img Random A Random A Farmaciastorelli It 1996 Ford F 250 Wiring Diagram Tail Ligths Wiring Diagrams Img Random A Random A Farmaciastorelli It

Diagram 1990 Ford Ranger Tail Light Wiring Diagram Full Version Hd Quality Wiring Diagram Electricwiringdevice Guilde Redemption Fr Diagram 1990 Ford Ranger Tail Light Wiring Diagram Full Version Hd Quality Wiring Diagram Electricwiringdevice Guilde Redemption Fr

1996 Ford F 250 Wiring Diagram Tail Ligths Wiring Diagrams Img Random A Random A Farmaciastorelli It 1996 Ford F 250 Wiring Diagram Tail Ligths Wiring Diagrams Img Random A Random A Farmaciastorelli It

Diagram 2014 Ford Raptor Wiring Diagram Full Version Hd Quality Wiring Diagram Iphonecase Primacasa Immobiliare It Diagram 2014 Ford Raptor Wiring Diagram Full Version Hd Quality Wiring Diagram Iphonecase Primacasa Immobiliare It

1997 Ford Ranger Fuse Panel Diagram Completed Wiring Diagram Datasheet 1 Bertarellisavino It 1997 Ford Ranger Fuse Panel Diagram Completed Wiring Diagram Datasheet 1 Bertarellisavino It

Rear Tub Lights Newranger Net Forum Rear Tub Lights Newranger Net Forum

Brake Light Turn Signal Light Diagram Ford Explorer Ford Ranger Forums Serious Explorations Brake Light Turn Signal Light Diagram Ford Explorer Ford Ranger Forums Serious Explorations

Https Encrypted Tbn0 Gstatic Com Images Q Tbn And9gcr9apenaoudaytr8wqnoxn95miuturqbofxhbvwhunhneowhex5 Usqp Cau Https Encrypted Tbn0 Gstatic Com Images Q Tbn And9gcr9apenaoudaytr8wqnoxn95miuturqbofxhbvwhunhneowhex5 Usqp Cau

Ford Ranger Tail Light Wiring Diagram 52 Full Hd Version Diagram 52 Explanatory Diagrams Emballages Sous Vide Fr Ford Ranger Tail Light Wiring Diagram 52 Full Hd Version Diagram 52 Explanatory Diagrams Emballages Sous Vide Fr

Diagram 1994 Toyota Truck Tail Light Wiring Diagram Full Version Hd Quality Wiring Diagram Themortgageyellowbook Behenry Fr Diagram 1994 Toyota Truck Tail Light Wiring Diagram Full Version Hd Quality Wiring Diagram Themortgageyellowbook Behenry Fr

Ford Ranger Tail Light Wiring Diagram Image Details Ford Ranger Tail Light Wiring Diagram Image Details

Tail Lights Not Working Fx4 Level Ii Tail Lights Don 39 T Tail Lights Not Working Fx4 Level Ii Tail Lights Don 39 T

Trailer Light Wiring Diagram Ford Ranger Wiring Diagram Curve Curve Mukura Fr Trailer Light Wiring Diagram Ford Ranger Wiring Diagram Curve Curve Mukura Fr

Ford Ranger Px3 Wiring Diagram Aamidis Blogspot Com Ford Ranger Px3 Wiring Diagram Aamidis Blogspot Com

Troubleshooting 4 And 5 Way Wiring Installations Etrailer Com Troubleshooting 4 And 5 Way Wiring Installations Etrailer Com

Ford Ranger 4x4 Wiring Diagram Tail Lights Radiant Heating Thermostat Wiring Diagram Subaruoutback Tukune Jeanjaures37 Fr Ford Ranger 4x4 Wiring Diagram Tail Lights Radiant Heating Thermostat Wiring Diagram Subaruoutback Tukune Jeanjaures37 Fr

2005 Ford F 250 Light Wiring Wiring Diagram Provider C Provider C Gardengym It 2005 Ford F 250 Light Wiring Wiring Diagram Provider C Provider C Gardengym It

Diagram 2012 F350 Reverse Light Wiring Diagram Full Version Hd Quality Wiring Diagram Wedowiring Vacanceenfant Fr Diagram 2012 F350 Reverse Light Wiring Diagram Full Version Hd Quality Wiring Diagram Wedowiring Vacanceenfant Fr

Ford Ranger Wiring Diagrams The Ranger Station Ford Ranger Wiring Diagrams The Ranger Station

Rear Tub Lights Newranger Net Forum Rear Tub Lights Newranger Net Forum

Tail Lights Not Working Fx4 Level Ii Tail Lights Don 39 T Tail Lights Not Working Fx4 Level Ii Tail Lights Don 39 T

Diagram 1990 Ford Ranger Tail Light Wiring Diagram Full Version Hd Quality Wiring Diagram Electricwiringdevice Guilde Redemption Fr Diagram 1990 Ford Ranger Tail Light Wiring Diagram Full Version Hd Quality Wiring Diagram Electricwiringdevice Guilde Redemption Fr

2008 Ford Fusion Starter Wiring Diagram Wiring Diagram Usage1 Usage1 Concorsomusicalmuseo It 2008 Ford Fusion Starter Wiring Diagram Wiring Diagram Usage1 Usage1 Concorsomusicalmuseo It

Ford Ranger Tail Light Wiring Diagram Lace Wiring Diagram Ct90 Tukune Jeanjaures37 Fr Ford Ranger Tail Light Wiring Diagram Lace Wiring Diagram Ct90 Tukune Jeanjaures37 Fr

Brake Light Wire 2019 Ford Ranger And Raptor Forum 5th Generation Ranger5g Com Brake Light Wire 2019 Ford Ranger And Raptor Forum 5th Generation Ranger5g Com

F150 Brake Light Wiring Diagram Database Wiring Diagram Number Number Media Piu It F150 Brake Light Wiring Diagram Database Wiring Diagram Number Number Media Piu It

Diagram 02 F150 Tail Light Wiring Diagram Full Version Hd Quality Wiring Diagram 3dprintingdiagrams Netsocialmarketing Fr Diagram 02 F150 Tail Light Wiring Diagram Full Version Hd Quality Wiring Diagram 3dprintingdiagrams Netsocialmarketing Fr

Wiring Diagram 2019 Ford Ranger And Raptor Forum 5th Generation Ranger5g Com Wiring Diagram 2019 Ford Ranger And Raptor Forum 5th Generation Ranger5g Com

Ford Ranger Tail Light Wiring Diagram Full Hd Version Wiring Diagram Explanatory Diagrams Emballages Sous Vide Fr Ford Ranger Tail Light Wiring Diagram Full Hd Version Wiring Diagram Explanatory Diagrams Emballages Sous Vide Fr

Ford Ranger Headlight Wiring Harness Diagram Wiring Diagrams Img Progress A Progress A Farmaciastorelli It Ford Ranger Headlight Wiring Harness Diagram Wiring Diagrams Img Progress A Progress A Farmaciastorelli It

Diagram Ford Ranger Tail Light Wiring Diagram Full Version Hd Quality Wiring Diagram Wiringspokane Cura Balbuzie It Diagram Ford Ranger Tail Light Wiring Diagram Full Version Hd Quality Wiring Diagram Wiringspokane Cura Balbuzie It

1996 Ford F 250 Wiring Diagram Tail Ligths Wiring Diagrams Img Random A Random A Farmaciastorelli It 1996 Ford F 250 Wiring Diagram Tail Ligths Wiring Diagrams Img Random A Random A Farmaciastorelli It

Https Encrypted Tbn0 Gstatic Com Images Q Tbn And9gcq Olmd7mgr7iy2 3x6mwzuyundv1n41i7lvkvxqa7e2qwjsvlk Usqp Cau Https Encrypted Tbn0 Gstatic Com Images Q Tbn And9gcq Olmd7mgr7iy2 3x6mwzuyundv1n41i7lvkvxqa7e2qwjsvlk Usqp Cau

How To Wire Led Tail Lights On A Ford Ranger Truck Full Video Youtube How To Wire Led Tail Lights On A Ford Ranger Truck Full Video Youtube

2000 Ford Ranger Fuse Diagram Wiring Diagram Article Article Amarodelleterredelfalco It 2000 Ford Ranger Fuse Diagram Wiring Diagram Article Article Amarodelleterredelfalco It

How To Wire Up A Ford Ranger Power Easy Dual Battery Or Anderson Plug Jts 12volt How To Wire Up A Ford Ranger Power Easy Dual Battery Or Anderson Plug Jts 12volt

Diagram 1989 Ford Ranger Tail Light Wiring Diagram Full Version Hd Quality Wiring Diagram Stableonthestour Dmi84 Fr Diagram 1989 Ford Ranger Tail Light Wiring Diagram Full Version Hd Quality Wiring Diagram Stableonthestour Dmi84 Fr

Tail Light Wiring Diagram Ford Ranger Sony Tv Wiring Diagram Contuor Losdol2 Jeanjaures37 Fr Tail Light Wiring Diagram Ford Ranger Sony Tv Wiring Diagram Contuor Losdol2 Jeanjaures37 Fr

2007 Ford Mustang Gt Wiring Diagram Database Wiring Diagram Publisher Publisher Media Piu It 2007 Ford Mustang Gt Wiring Diagram Database Wiring Diagram Publisher Publisher Media Piu It

Ford Ranger Bronco Ii Electrical Diagrams At The Ranger Station Ford Ranger Bronco Ii Electrical Diagrams At The Ranger Station

Diagram Wiring Diagram 2003 Ford F 250 Transmission Full Version Hd Quality 250 Transmission Structuredannuitycashout Behenry Fr Diagram Wiring Diagram 2003 Ford F 250 Transmission Full Version Hd Quality 250 Transmission Structuredannuitycashout Behenry Fr

Workshop Manual Ford Ranger T6 Px Mk2 2016 2019 Includes Wiring Diagrams Ebay Workshop Manual Ford Ranger T6 Px Mk2 2016 2019 Includes Wiring Diagrams Ebay

Xdomingues Blogspot Com Ford Ranger Xlt Wiring Diagram Xdomingues Blogspot Com Ford Ranger Xlt Wiring Diagram

1999 Ford F250 Lights Wiring Diagra New In 2020 Ford Ranger Ford F350 Powerstroke 1999 Ford F250 Lights Wiring Diagra New In 2020 Ford Ranger Ford F350 Powerstroke

Ford Ranger Bronco Ii Electrical Diagrams At The Ranger Station Ford Ranger Bronco Ii Electrical Diagrams At The Ranger Station

Troubleshooting 4 And 5 Way Wiring Installations Etrailer Com Troubleshooting 4 And 5 Way Wiring Installations Etrailer Com

Diagram 1994 Toyota Truck Tail Light Wiring Diagram Full Version Hd Quality Wiring Diagram Themortgageyellowbook Behenry Fr Diagram 1994 Toyota Truck Tail Light Wiring Diagram Full Version Hd Quality Wiring Diagram Themortgageyellowbook Behenry Fr

Wiring Diagrams For 1995 Ford Ranger Wiring Diagram Award Award Mukura Fr Wiring Diagrams For 1995 Ford Ranger Wiring Diagram Award Award Mukura Fr

Parking Taillights And Dashboard Out Help Ranger Forums The Ultimate Ford Ranger Resource Parking Taillights And Dashboard Out Help Ranger Forums The Ultimate Ford Ranger Resource

How To Install Cargo Third Brake Light Led Bulbs For 2019 Ford Ranger Diode Dynamics Youtube How To Install Cargo Third Brake Light Led Bulbs For 2019 Ford Ranger Diode Dynamics Youtube

Ford Ranger Pj Wiring Diagram Aamidis Blogspot Com Ford Ranger Pj Wiring Diagram Aamidis Blogspot Com

Troubleshooting 4 And 5 Way Wiring Installations Etrailer Com Troubleshooting 4 And 5 Way Wiring Installations Etrailer Com

2019 Ford Ranger Electrical Wiring Diagrams Service Manual Ebay 2019 Ford Ranger Electrical Wiring Diagrams Service Manual Ebay

Https Www Ford Com Au Content Dam Ford Website Assets Ap Au Owner Vehicle Support Body Equipment Manuals My19 P375 Tkd Mca Bemm Pdf Https Www Ford Com Au Content Dam Ford Website Assets Ap Au Owner Vehicle Support Body Equipment Manuals My19 P375 Tkd Mca Bemm Pdf

Tail Lights Not Working Fx4 Level Ii Tail Lights Don 39 T Tail Lights Not Working Fx4 Level Ii Tail Lights Don 39 T

Diagram Ford Ranger 4x4 Wiring Diagram Tail Lights Full Version Hd Quality Tail Lights Cmnpiraterunptefacebook Behenry Fr Diagram Ford Ranger 4x4 Wiring Diagram Tail Lights Full Version Hd Quality Tail Lights Cmnpiraterunptefacebook Behenry Fr

Ford Ranger Bronco Ii Electrical Diagrams At The Ranger Station Ford Ranger Bronco Ii Electrical Diagrams At The Ranger Station

Https Encrypted Tbn0 Gstatic Com Images Q Tbn And9gcsbpoml Pzwaj5ucrqjqbq8snz1nn83idx3ajo Izo5dzbfsxtx Usqp Cau Https Encrypted Tbn0 Gstatic Com Images Q Tbn And9gcsbpoml Pzwaj5ucrqjqbq8snz1nn83idx3ajo Izo5dzbfsxtx Usqp Cau

Installing Tailgate Light Bar 2019 Ford Ranger And Raptor Forum 5th Generation Ranger5g Com Installing Tailgate Light Bar 2019 Ford Ranger And Raptor Forum 5th Generation Ranger5g Com

1987 Ford Ranger 4x4 Wiring Diagram Wiring Diagram Fresh Fresh Mukura Fr 1987 Ford Ranger 4x4 Wiring Diagram Wiring Diagram Fresh Fresh Mukura Fr

1996 Ford F 250 Wiring Diagram Tail Ligths Wiring Diagrams Img Random A Random A Farmaciastorelli It 1996 Ford F 250 Wiring Diagram Tail Ligths Wiring Diagrams Img Random A Random A Farmaciastorelli It

How To Install 2019 Ford Ranger Tail Light Backup Leds Diode Dynamics Youtube How To Install 2019 Ford Ranger Tail Light Backup Leds Diode Dynamics Youtube

[View 34+] 2019 Ford Ranger Tail Light Wiring Diagram [View 34+] 2019 Ford Ranger Tail Light Wiring Diagram Reviewed by Kemeja Korporat on December 16, 2020 Rating: 5

Color of 1995 Ford F 250 Tail Light Wire

Source: https://bajukurungketat.blogspot.com/2020/12/view-34-2019-ford-ranger-tail-light.html